サーボの実践トレーニング

 ここでは、DCロータリーモータを使用して、機械の位置や力を制御するための自動制御器(サーボコントローラ)を構築します。理解のブラックボックスを作らないため、モータのトルクを自動制御(モータをサーボ化)するところから考えます。
 そのためには、自動制御(サーボ)性能を確認(実験)する機械が必要なので、実機と同じように(机上で)動作する実験用の機械(シミュレータ)の構築をも併せて行います。

サーボの実践トレーニング_装置全体図

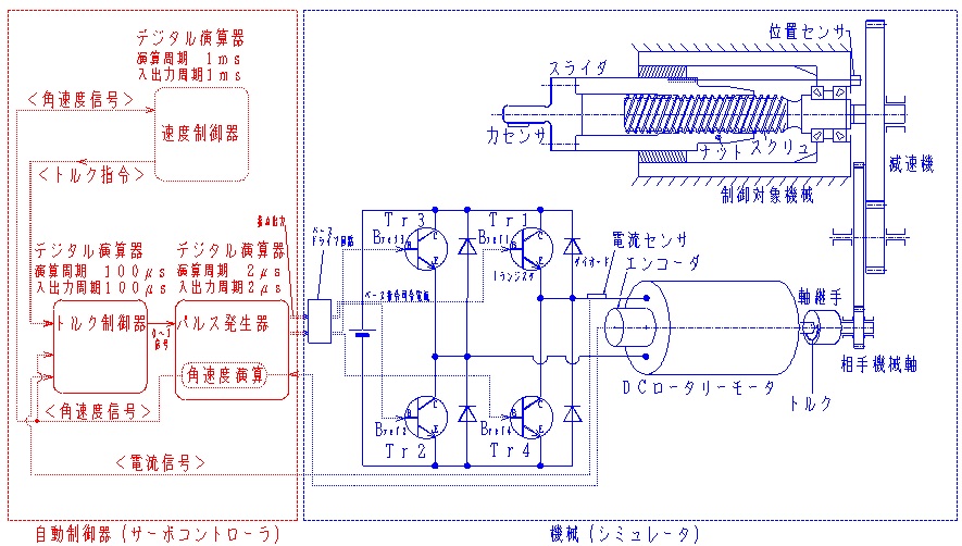
サーボの実践トレーニング 実験装置全体図

目次

               
               
1.モータトルク制御実験   
               
               
サーボの実践トレーニング_DCモータトルク制御実験装置
               
               
2.機械の速度制御実験    
               
               
サーボの実践トレーニング_機械の速度制御実験装置
               
               
3.機械の位置制御実験    
               
               
サーボの実践トレーニング_機械の位置制御実験装置


サーボの習得と実践に戻る場合は
ここをクリックしてください!

ご質問やご要望は遠慮無くEメールしてください。
内容 サーボの実践トレーニング
Eメール hydro-servo-k@ab.auone-net.jp
作者 サーボバカセ
更新日 2023年 2月5日