サーボの背景技術① ブロック線図の作成1
静特性と動特性を抽出する方法1
運動力学を基に誘導する場合(ex.2次遅れ要素(2次系))

 サーボ技術は自動制御技術を意味するだけではなく、機械、電気、制御を含めたシステム全体を静的、動的に捉える(理解する)技術を意味します。何故なら、サーボはサーボ化対象である機械(相手)が存在して初めて成り立つものだからです。
 そのため 相手を知ることはとても重要であり、相手の静的特性(静特性)と動的特性(動特性)を体感することが重要です。
 ここではバネマス系を例に、運動力学を基に、先ず サーボを考える為に必要なブロック線図の作り方を説明し、次に ブロック線図から静特性と動特性(ここでは2次遅れ要素)を抽出する方法を説明します。

バネマス系モデル 河野泰幸

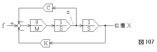
 まず質量Mに力fが作用すると、加速度が発生します。

サーボ職人河野 バネマス系モデル力から加速度

 次に加速度を一度時間積分すると、速度が発生します。

 ここで時間積分は、ラプラス演算子Sの逆数1/Sで表示します。

サーボ職人河野 バネマス系モデル力から速度

 さらに速度を一度時間積分すると、位置が発生します。

サーボ職人河野 バネマス系モデル力から位置

 なお、発生した速度に対してそれを妨げる方向に粘性に比例した抵抗力が作用します。

 この形態は運動系の基本的な性質です。覚えておいて、さらには慣れて体感できるようにしてください。

 運動系の安定化作用、さらには制御系の安定化作用に関連しています。

サーボ職人河野 バネマス系モデル粘性抵抗

 また、発生した位置に対してそれを妨げる方向に位置に比例した抵抗力が作用します。

バネマス系モデルバネ反力 河野泰幸

 これで、バネマス系のブロックは完成です。

 バネマス系のブロックに限らず、いかなる機械系のブロック線図もこのようにして作成できます。

 次に、このブロック線図から、Xからfに至る伝達関数を求めます。

 便宜上、速度をzとしますと、<101>、<102> 2つの方程式が成立します。

バネマス系モデル解析用 河野泰幸

バネマス系モデル方程式1 河野泰幸

バネマス系モデル方程式2 河野泰幸

 <101>、<102>から伝達関数<103>式が導けます。

バネマス系モデル式3 河野泰幸

 <103>式右辺の分母分子を質量Mで除し、さらに分子にKを乗し、その分全体を1/Kにし伝達関数<104>式を導きます。

バネマス系モデル式4 河野泰幸

 <104>式右辺の右側部分のKg/Mをωの2乗、Cg/Mを2・ζ・ωに置き換え、伝達関数<105>式を導きます。

バネマス系モデル式5 河野泰幸

バネマス系モデル式6 河野泰幸

バネマス系モデル式7 河野泰幸

 <105>式右辺の左側部分はバネ定数K、右側部分は角固有周波数ω(rad/s),減衰比ζの2次遅れ要素(無次元)を示します。

 つまり、<105>式右辺の左側部分は静特性、右側部分は動特性を示します。

 <106>式、<107>式より、この(図101に示した)バネマス系の固有振動数は179.86rad/s、減衰比は0.27です。

 静特性であるバネ定数の特性は、恐らく周知のことと存じます。

 動特性である2次遅れ要素の特性が有す周波数特性は、”系の時間応答、系の動特性が有す周波数特性の確認方法”で説明します。

本文に戻る場合はここをクリックしてください!

ご質問やご要望は遠慮無くEメールしてください。
内容 サーボの背景①
ブロック線図の作成、静特性と動特性を抽出する方法1
運動力学を基に誘導する場合(2次遅れ要素(2次系))
Eメール hydro-servo-k@ab.auone-net.jp
作者 サーボバカセ
更新日 2020年9月7日